


Pickup available at
Brisbane (Virginia)
Gold Coast (Molendinar)
Melbourne (Derrimut or Dandenong South Central)
Newcastle (Cardiff)
Adelaide (Kilburn)
Perth (Jandakot)
20 depots across Australia are now fully operational.
Check individual listings for which products are stocked in which locations.
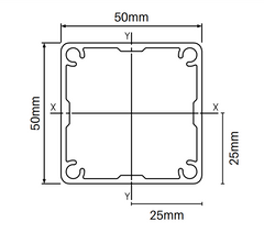
TECH SPECS
• Alloy 6063 - T6 
• 1.8mm wall thickness with 3mm ribs 
• Screw flutes to screw on base plate if required 
• Aluminium powder coated press-in top plate included
• lxx = 170.44 x 10E3 mmE4 
• lyy = 170.44 x 10E3 mmE4
Free collection from Gold Coast, Brisbane, Adelaide, Melbourne Cardiff or Perth
Delivery is to the below areas only,
Sunshine Coast, (as far north as Noosa)
Brisbane metro
Gold Coast
Northern Rivers, (north of Ballina)
Tweed
Melbourne metro
Adelaide metro
Cardiff metro,
Perth metro
