



Pickup available at
Brisbane (Virginia)
Gold Coast (Molendinar)
Melbourne (Derrimut or Dandenong South Central)
Newcastle (Cardiff)
Adelaide (Kilburn)
Perth (Jandakot)
20 depots across Australia are now fully operational.
Check individual listings for which products are stocked in which locations.
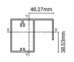
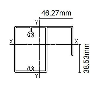
TECH SPECS
• PP 293 / AP 367
• Alloy 6063 T5 / 6100mm long
• 2.5mm wall thickness
• Top rail with innovative side channel for slide guide or roller guide integration
• Screw flutes incorporated for non-weld assembly
• lxx = 513.99 x 10E3 mmE4
• lyy = 404.97 x 10E3 mmE4

